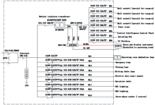
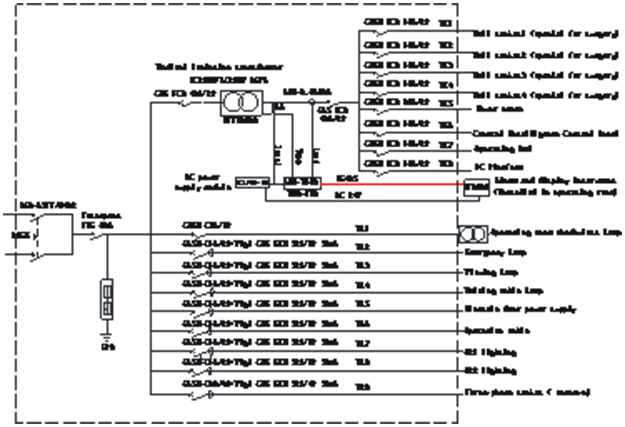
Medical IT system insulation monitoring device and fault location system is suitable for hospital operating room, ICU (CCU) and other important places, and can provide a safe place for such continuous, reliable power solutions.

1)Primary connection diagram and field distribution display
|
|
|
|
4)Remote parameter setting and inquiry

5)Graphic display
Display the insulation status, load status, and the isolation transformer temperature of each set of isolated power systems in graph form.
1) AITR Series Medical isolation transformer
![]() | • Isolating transformers for medical IT systems • Double insulation treatment, Electrostatic shielding layer • PT100 temperature sensor • Rated power: 3.15…10KVA • CE mark |
2) AIM-M10 Medical Intelligent Insulation Monitor
![]() | • Insulation monitoring for medical IT systems • Load and temperature monitoring of isolation transformer • Device disconnection monitoring • LED indicators: On, Insulation, Overload, Overtemp • Alarm relay output • Test button • RS485,MODBUS-RTU |
3)AIM-M100 Medical Intelligent Insulation Monitor
![]() | • Insulation monitoring for medical IT systems • Load and temperature monitoring of isolation transformer • Device disconnection monitoring • LED indicators: On, Insulation, Overload, Overtemp • Alarm relay output • Test button • RS485,MODBUS-RTU |
4)AIM-M200 Medical Intelligent Insulation Monitor
![]() | • Insulation monitoring for medical IT systems • Load and temperature monitoring of isolation transformer • Device disconnection monitoring • LED indicators: On, Insulation, Overload, Overtemp • Alarm relay output • Test button • Insulation fault location • RS485 (MODBUS-RTU) + CAN (custom protocol) |
5)AID10 Alarm and Display Instrument
![]() | • Remote monitoring • LED indicators:On, Insulation, Overload, Overtemp • Mute button • Test button • Power supply: DC24V • RS485,MODBUS-RTU |
6)AID120 Alarm and Display Instrument
![]() | • Remote monitoring • LED indicators:On, Insulation, Overload, Overtemp • Mute button • Test button • Power supply: DC24V • RS485,MODBUS-RTU |
7)AID150 Alarm and Display Instrument
![]() | • Remote monitoring • LED indicators:On, Insulation, Overload, Overtemp • Mute button • Test button • Power supply: DC24V • RS485,MODBUS-RTU |
8)ACLP10-24 DC Power Supply
![]() | • Power Supply to AID series • AC 220V input, DC 24V output • Completely Isolated Linear Transformer • Power-on indicator |
9)ACLP10-24 DC Power Supply
![]() | • Generating Fault Location Signal • Detection of L1 and L2 disconnection • LED indicators: On, Comm, L1, L2, Fault • CAN bus, custom protocol • Power supply: DC24V |
10)AIL150-4/-8 Insulation Fault Locator
![]() | • Insulation fault location in AC IT systems • AIL150-4: 4 measuring channels • AIL150-8: 4 measuring channels • LED indicators: On, Comm, L1…L8 • CAN bus, custom protocol • Power supply: DC24V |
Typical Solution
1)Four-piece set

2)Five-piece set

3)Seven-piece set


