江苏安科瑞电器制造有限公司

온라인 메시지

이름
이메일 *
이동하는 *
국가
메시지
x
江苏安科瑞电器制造有限公司

AMC 시리즈 프로그래밍 가능 전력계

Home >> 제품 >> 전력 모니터링 및 보호 >> AMC 시리즈 프로그래밍 가능 전력계

AMC72L-AI3 프로그래밍 가능한 AC 전류 측정기
AMC72L-AI3

● 교류 전류: AC 1A, 5A
● 통신 및 설정 매개변수에 대한 4개의 포인트

● 삼상 전류 측정용 LCD 디스플레이

문의 보내기
WhatsApp email

기능


 

통신

RS485(Modbus-RTU)

디스플레이

LCD 디스플레이, 배율 설정

정격 U & I

교류 전류: 교류1A, 5A

정확도

활성 에너지: 0.5급

보조 전원
교류 220V
Consumption
전류: 전력 consumption< 0.5VA;
보조 전원: 전력 consumption≤5VA
설치
패널 mounted
치수(L*W*H)
패널 사이즈 (L×W): 75*75mm
Cutout(L×W): 67*67mm
Housing (L×W×H): 66*66*94.3mm
스위치 리레이
직류 30V/3A 교류 220V/3A
시작 전류
0.3%

 


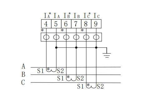
배선


11.jpg


넷트워크


뜨거운 제품
ADL200 단상 DIN 레일 에너지 미터

ADL200

ADL200 단상 DIN 레일 에너지 미터

● AC220V●10(80)A●RS485(MODBUS-RTU)●파라미터 설정●LCD 디스플레이●kWh급 1급●DIN 35m···
ADL400 3상 DIN 레일 에너지 미터

ADL400

ADL400 3상 DIN 레일 에너지 미터

● AC220V● 3×1(6)A,3×10(80)A● RS485(MODBUS-RTU)● 매개변수 설정● LCD 디스플레이● ···
ADW210 IoT Multi-Circuit Energy Meter

ADW210 IoT Multi-Circuit Energy Meter

● Mearsure up to 4 circuit 3 phase● Mearsure all electric parameters···
ADL3000-E 3상 다기능 에너지 측정기

ADL3000-E

ADL3000-E 3상 다기능 에너지 측정기

● DIN 레일 장착● kWh: 클래스 0.5S,kVarh: 클래스 2● AC 3×220/380V,3×380V,3×57.7···
온라인 메시지
관련 제안
솔루션

솔루션

제품

제품

문의하기

문의하기

저작권 © Jiangsu Acrel Electrical Manufacturing Co., LTD.