
Home >> 제품 >> 전력 모니터링 및 보호 >> AMC 시리즈 프로그래밍 가능 전력계
• 통신:RS485 (Modbus-RTU)
• 디스플레이: LCD 디스플레이, 배율 설정
• 정격 U & I: AC 전압: AC 100V, 220V, 380V
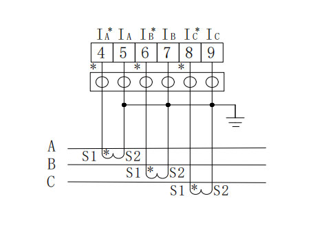
| 통신 RS485(Modbus-RTU) 디스플레이 LCD display, set multiplying power 정격 U & I AC current: AC1A, 5A 정확도 Active energy: Class 0.5 보조 전원 AC 220V Consumption 전류: Power consumption< 0.5VA; |
설치 패널 mounted 치수(L*W*H) 패널사이즈 (L*W): 75*75mm Cutout (L*W): 67*67mm Housing (L*W*H): 66*66*94.3mm 보조 전원 전압 범위: AC220V 전력 consumption: <5VA 리레이 3A/30V 직류, 3A/250V 교류
| ![]() |

